¹¤Òµ»úÆ÷¼Ó¹¤ÖÐÐÄ¡¢Ðýת¹¤×÷̨¡¢ÖØÐÍÉ豸Ëþ̨¡¢µçÀ¾íÅÌ¡¢°ü×°É豸¡¢´ÅÐÔÀëºÏÆ÷¡¢¹¤ÒÕ¿ØÖÆÉ豸¡¢Ðýת´«¸ÐÆ÷¡¢½ô¼±ÕÕÃ÷É豸¡¢»úÆ÷ÈË¡¢Õ¹ÀÀ/ÏÔʾÉ豸¡¢Ò½ÁÆÉ豸¡¢ÐýתÃŵȣ»

| ²úÆ·µÈ¼¶Ñ¡Ðͱí | |||
| ²úÆ·µÈ¼¶´úºÅ | ×î¸ßתËÙ | ¹¤×÷ÊÙÃü | ÃÜ·â¼þ |
| VC£¨Í¨Óü¶£© | 100RPM | 1000Íòת | ¹úÄÚÖªÃûÆ·ÅÆÃÜ·â¼þ |
| VD£¨¹¤Òµ¼¶£© | 300RPM | 3000Íòת | ½ø¿ÚÃÜ·â¼þ |
| ¼¼Êõ¹æ¸ñ²ÎÊý | |
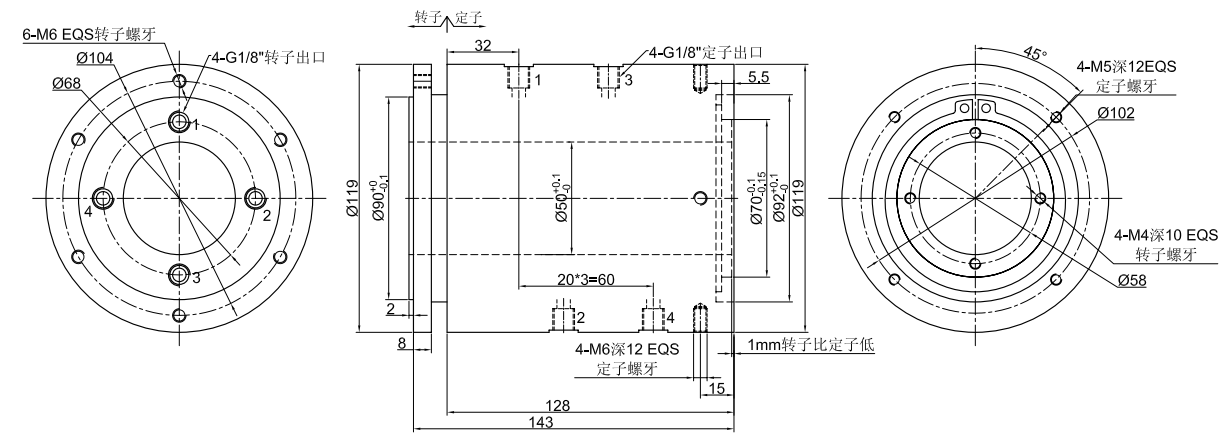
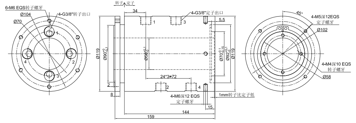
| Ðýת½ÓÍ·²¿·Ö¼¼ÊõÖ¸±ê | |
| ²ÎÊý | ÊýÖµ |
| ͨµÀÊý | 4½ø4³ö |
| ×î´óѹÁ¦ | 10MPa (¿É¶¨ÖƸßѹ)£¬Õæ¿Õ 0.01torr |
| Ť¾Ø | Óë½Ó¿Ú³ß´çÏà¹Ø£¬Ïê¼ûÑ¡Ðͱí |








¾¹ý¶àÄêµÄ¾Ñé»ýÀÛ£¬Ä¬æÚÁúÓµÓÐ20Íò¶à¸ö²úÆ·3DͼµµÊý¾Ý¿â£¬
ÓÉÓÚ»¥ÁªÍøµÄ¿ª·ÅÐÔºÍͬÐоºÕù£¬ÐèÒª²úÆ·3DͼµµµÄ¿Í»§ÇëÁôϵç×ÓÓÊÏä»òÕßQQ¡£
ÉóºËÍêÁªÏµ·½Ê½ºó£¬ÎÒÃǵÄϵͳ½«ÔÚ5·ÖÖÓÄÚ°Ñ3D×Ô¶¯·¢¶¯µ½ÄúµÄµç×ÓÓÊÏ䣡