¹ý¿×ʽµ¼µç»¬»·ÊÇĿǰ¹¤Òµ»¬»·ÀïÃæÐÔ¼Û±È×î¸ß£¬×ÏúµÄÒ»¸öϵÁвúÆ·£¬Ö÷ÒªÓ¦ÓÃÓÚ360¶ÈÁ¬ÐøÐýתÇÒÐèÒª±£Ö¤µçÔ´£¬ÐźŲ»ÄÜÖжϵij¡ºÏ£ºÈç¸÷ÖÖÀ״°²·ÀÉ豸£¬ÓéÀÖÉ豸£¬¸÷ÖÖ»úÆ÷ÈË¡¢»úеÊÖ£¬¸÷ÖÖ¸¡¿ÕÆ÷£¬¸÷ÖÖ·çÁ¦·¢µçÉ豸´µÆ¿»ú£¬µÆ¼ì»ú£¬¸÷ÖÖת̨£¬ÓÎÀÖÓÎÒÕÉ豸£¬ÐéÄâ3D£¬VRÉ豸£¬ ³µÔØÎÀÐÇÌìÏߣ¬´¬ÔØÎÀÐǵçÏߣ¬µçÀ¾íͲ£¬²Á´°»úÉ豸£¬Ðýת²Í×À£¬ÐýתÎę̀£¬ÐýתÆÁÄ»£¬Ðýת²ÍÌü£¬µç¶¯¹¤³Ì»úе£¬×îеÄVRÄ£Äâ·ÂÕæÉ豸µÈ¡££»

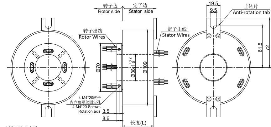
| ¼¼Êõ¹æ¸ñ²ÎÊý | ||||
| »úе¼¼ÊõÖ¸±ê | µçÆø¼¼ÊõÖ¸±ê | |||
| ²ÎÊý | ÊýÖµ | ²ÎÊý | ÊýÖµ | |
| ¹¤×÷ÊÙÃü | 1ÒÚת | ¹¦ÂÊ | ÐźŠ| |
| ¶î¶¨×ªËÙ | 1~1800RPM | ¶î¶¨µçѹ | 0~690VAC/VDC | 0~440VAC/VDC |
| ¹¤×÷ÎÂ¶È | -30¡æ~80¡æ | ¾øÔµµç×è | ¡Ý1000M¦¸/500VDC | ¡Ý1000M¦¸/500VDC |
| ¹¤×÷ʪ¶È | 0~85% RH | µ¼Ïß¹æ¸ñ | AWG16#¶ÆÎýÌú·úÁú | AWG22#¶ÆÎýÌú·úÁú |
| ½Ó´¥²ÄÁÏ | ¹ó½ðÊô | µ¼Ïß³¤¶È | ±ê×¼³¤¶È300mm£¨¿É¾ÝÒªÇóµ÷Õû£© | |
| ¿ÇÌå²ÄÁÏ | ÂÁºÏ½ð | ¾øÔµÇ¿¶È | 1000VAC@50Hz£¬60s | |
| ת¶¯Å¤¾Ø | 0.1N.m£»+0.03N.m/6· | ¶¯Ì¬µç×è±ä»¯Öµ | <0.03¦¸ | |
| ·À»¤µÈ¼¶ | IP51 | |||








¾¹ý¶àÄêµÄ¾Ñé»ýÀÛ£¬Ä¬æÚÁúÓµÓÐ20Íò¶à¸ö²úÆ·3DͼµµÊý¾Ý¿â£¬
ÓÉÓÚ»¥ÁªÍøµÄ¿ª·ÅÐÔºÍͬÐоºÕù£¬ÐèÒª²úÆ·3DͼµµµÄ¿Í»§ÇëÁôϵç×ÓÓÊÏä»òÕßQQ¡£
ÉóºËÍêÁªÏµ·½Ê½ºó£¬ÎÒÃǵÄϵͳ½«ÔÚ5·ÖÖÓÄÚ°Ñ3D×Ô¶¯·¢¶¯µ½ÄúµÄµç×ÓÓÊÏ䣡