快餐qq联系方式免费同城空降服务,2025上海水磨桑拿会所,全国同城空降服务 ,深圳品茶工作室预约个人接单上门服务

±ê×¼²úÆ··ÖÀà

MAPH200WϵÁÐ (ת×ÓË«·¨À¼ 2½ø2³ö Æø/Òº+µçÒ»Ì廬»·)
MAPH200WϵÁÐ (ת×ÓË«·¨À¼ 2½ø2³ö Æø/Òº+µçÒ»Ì廬»·)
  • ¡¤ MAPH200W Æø/ÒºÐýת½ÓÍ·, Æø»¬»·£¬ÒºÑ¹»¬»·£¬×Ô´ø×ª×ÓË«·¨À¼£¬¿ÉÖáÏò³ÐÖØ100¹«½ï£¬¿ÉͨM5¡¢G1/8¡¢G1/4¡¢G3/8¡¢G1/2´óС¹Ü¾¶
  • ¡¤ ÇÒ¿ÉÒÔ»ìºÏ¹¦Âʶ¯Á¦Ïß¡¢ÐźÅÏß¡¢ÒÔÌ«Íø¡¢USB¡¢¹¤Òµ×ÜÏß¡¢¿ØÖÆÏß¡¢µç´Å·§¡¢¸ÐÓ¦ÏßµÈ
  • ¡¤ ±ê׼Ϊ·¨À¼°²×°ÐÎʽ£¬2½ø2³öÐýת½ÓÍ·£¬2Â·ÆøÒº»¬»·¿É¶¨ÖÆ¿ÕÐÄÖá°²×°
  • ¡¤ ÄÜͨ¹ýµÄ½éÖÊÓÐ: ѹËõ¿ÕÆø¡¢ÇâÆø¡¢µªÆø¡¢»¯Ñ§»ìºÏÆøÌå¡¢ÕôÆû¡¢ÀäÈ´Ë®¡¢ÈÈË®¡¢ÈÈÓÍ¡¢Ê¯ÓÍ¡¢ÁòËá¡¢ÒûÁϵÈ

µäÐÍÓ¦Óãº

¹¤ÒµÉ豸¡¢¹¤ÒµÕ¹Ì¨¡¢µçÆø²âÊÔÉ豸¡¢Ò½ÁÆÉ豸¡¢»úÆ÷ÈË¡¢²âÊÔÒÇÆ÷¡¢×ªÌ¨¡¢×Ô¶¯»¯É豸µÈ£»

ÐͺŶ©¹ºËµÃ÷£º

²úÆ·µÈ¼¶Ñ¡Ðͱí
²úÆ·µÈ¼¶´úºÅ×î¸ßתËÙ¹¤×÷ÊÙÃüÃÜ·â¼þ
VC£¨Í¨Óü¶£©100RPM1000Íòת¹úÄÚÖªÃûÆ·ÅÆÃÜ·â¼þ
VD£¨¹¤Òµ¼¶£©300RPM3000Íòת½ø¿ÚÃÜ·â¼þ

¼¼Êõ¹æ¸ñ²ÎÊý
Ðýת½ÓÍ·²¿·Ö¼¼ÊõÖ¸±ê»úе¼¼ÊõÖ¸±ê
²ÎÊýÊýÖµ²ÎÊýÊýÖµ
ͨµÀÊý2½ø2³ö¹¤×÷ÊÙÃü²Î¿¼²úÆ·Ñ¡Ð͵ȼ¶
×î´óѹÁ¦10MPa (¿É¶¨ÖƸßѹ)£¬Õæ¿Õ 0.01torr¶î¶¨×ªËٲο¼²úÆ·Ñ¡Ð͵ȼ¶
Ť¾ØÓë½Ó¿Ú³ß´çÏà¹Ø£¬Ïêϸ×Éѯ¼¼Êõ¹¤×÷ζÈ-30¡æ~80¡æ
µçÆø¼¼ÊõÖ¸±ê¹¤×÷ʪ¶È0~85% RH
²ÎÊýÊýÖµ½Ó´¥²ÄÁϹó½ðÊô
¹¦ÂÊÐźſÇÌå²ÄÁÏÂÁºÏ½ð
¶î¶¨µçѹ0~440VAC/VDC0~440VAC/VDC·À»¤µÈ¼¶IP51
¾øÔµµç×è¡Ý1000M¦¸/500VDC¡Ý1000M¦¸/500VDC
µ¼Ïß¹æ¸ñAWG17#¶ÆÎýÌú·úÁúAWG22#¶ÆÎýÌú·úÁú
µ¼Ïß³¤¶È±ê×¼³¤¶È300mm£¨¿É¾ÝÒªÇóµ÷Õû£©
¾øÔµÇ¿¶È500VAC@50Hz£¬60s
¶¯Ì¬µç×è±ä»¯Öµ<0.01¦¸



MAPH200W-XX ÆøÒºµçÒ»Ì廬»·Ñ¡Ðͱí
1£©XX=01,½ÓÍ·´óС=M5£¬ Æø¹Ü¹æ¸ñ3~6mm 2£©XX=02,½ÓÍ·´óС=G1/8£¬Æø¹Ü¹æ¸ñ3~10mm
3£©XX=03,½ÓÍ·´óС=G1/4£¬Æø¹Ü¹æ¸ñ3~12mm 4£©XX=04,½ÓÍ·´óС=G3/8£¬Æø¹Ü¹æ¸ñ3~16mm
5£©XX=05,½ÓÍ·´óС=G1/2£¬Æø¹Ü¹æ¸ñ3~20mm
ÐÍºÅÆø(Òº)ͨµÀ10AÐźÅ/5A³¤¶È L(mm)ÐÍºÅÆø(Òº)ͨµÀ10AÐźÅ/5A³¤¶È L(mm)
MAPH200W-XX-S062½ø2³ö0638MAPH200W-XX-P0810-S102½ø2³ö81071.6
MAPH200W-XX-P0210-S042½ø2³ö2438MAPH200W-XX-P1010-S082½ø2³ö10871.6
MAPH200W-XX-P0410-S022½ø2³ö4238MAPH200W-XX-P1210-S062½ø2³ö12671.6
MAPH200W-XX-P06102½ø2³ö6038MAPH200W-XX-P1410-S042½ø2³ö14471.6
MAPH200W-XX-S122½ø2³ö12054.8MAPH200W-XX-P1610-S022½ø2³ö16271.6
MAPH200W-XX-P0210-S102½ø2³ö21054.8MAPH200W-XX-S242½ø2³ö02488.4
MAPH200W-XX-P0310-S092½ø2³ö3954.8MAPH200W-XX-P0410-S202½ø2³ö42088.4
MAPH200W-XX-P0610-S062½ø2³ö6654.8MAPH200W-XX-P0610-S182½ø2³ö61888.4
MAPH200W-XX-P0810-S042½ø2³ö8454.8MAPH200W-XX-P1210-S122½ø2³ö121288.4
MAPH200W-XX-P1010-S022½ø2³ö10254.8MAPH200W-XX-S302½ø2³ö030105.2
MAPH200W-XX-P12102½ø2³ö12054.8MAPH200W-XX-P0610-S242½ø2³ö624105.2
MAPH200W-XX-S182½ø2³ö01871.6MAPH200W-XX-S362½ø2³ö036125
MAPH200W-XX-P0210-S162½ø2³ö21671.6MAPH200W-XX-S422½ø2³ö042141.8
MAPH200W-XX-P0410-S142½ø2³ö41471.6MAPH200W-XX-S482½ø2³ö048158.6
MAPH200W-XX-P0610-S122½ø2³ö61271.6

×¢£º10AºÍÐźÅ(5A) ¿ÉÒÔÈÎÒâ×éºÏ£¬×î´ó¿Éµ½96·£¬ÏêϸÇë×Éѯ¿Í·þ¡£2½ø2³öÐýת½ÓÍ·£¬2Â·ÆøÒº»¬»·¿ÉÔÚ±ê×¼²úÆ·ÉϽøÐÐ·Ç±ê¶¨ÖÆ£¬Çë×Éѯ¿Í·þ¡£

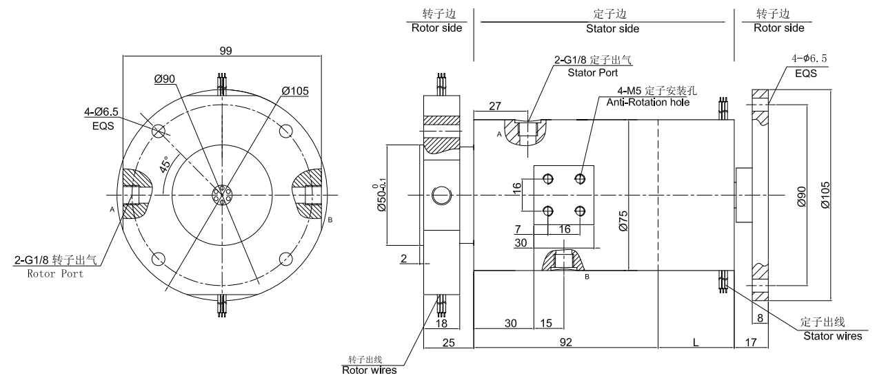
MAPH200W-02 ³ß´çͼ


MAPH200W-03 ³ß´çͼ


ͬϵÁиü¶à²úÆ·²Î¿¼£º
»ñÈ¡²úÆ·3Dͼֽ
X

¾­¹ý¶àÄêµÄ¾­Ñé»ýÀÛ£¬Ä¬æÚÁúÓµÓÐ20Íò¶à¸ö²úÆ·3DͼµµÊý¾Ý¿â£¬
ÓÉÓÚ»¥ÁªÍøµÄ¿ª·ÅÐÔºÍͬÐоºÕù£¬ÐèÒª²úÆ·3DͼµµµÄ¿Í»§ÇëÁôϵç×ÓÓÊÏä»òÕßQQ¡£

ÉóºËÍêÁªÏµ·½Ê½ºó£¬ÎÒÃǵÄϵͳ½«ÔÚ5·ÖÖÓÄÚ°Ñ3D×Ô¶¯·¢¶¯µ½ÄúµÄµç×ÓÓÊÏ䣡