快餐qq联系方式免费同城空降服务,2025上海水磨桑拿会所,全国同城空降服务 ,深圳品茶工作室预约个人接单上门服务

±ê×¼²úÆ··ÖÀà

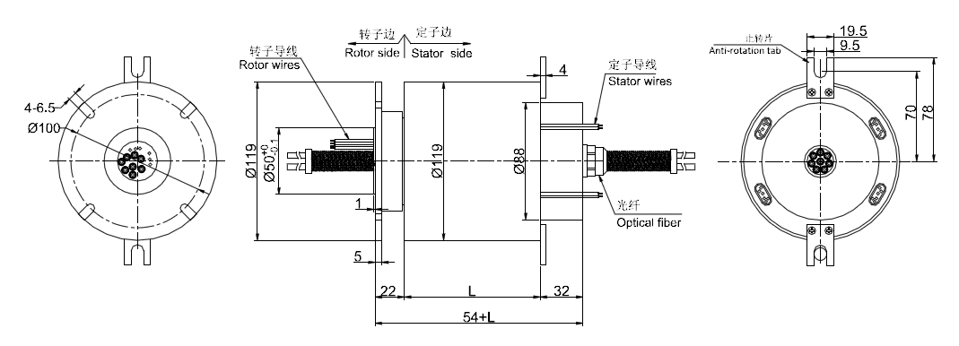
MFO808ϵÁÐ 8ͨµÀ¹âÏË/¹âµç»¬»·(¹âÏËÐýת½ÓÍ·)
MFO808ϵÁÐ 8ͨµÀ¹âÏË/¹âµç»¬»·(¹âÏËÐýת½ÓÍ·)
  • ¡¤MFO808xϵÁÐ8½ø8³ö¹âµç×éºÏ»¬»·|¹âµçÐýת½ÓÍ·£¬Í¬Ê±ÄÜ´«Êä8·¹âÏ˺Í1~72·µçÆøÍ¨Â·,È«ÂÁºÏ½ð½á¹¹µÄÕûÌåʽ¾«Ãܵ¼µç»¬»·¡£µçÆøÍ¨Â·Ö§³ÖÐźÅ(2A), 10A,50A,µçѹ600VAC/VDC¡£¹âµçÐýת½ÓÍ·Óֳƹâµç»¬»·£¬¹âµç»ãÁ÷»·£¬²ÉÓùâÏËΪÊý¾Ý´«ÊäýÌ壬Ϊ½â¾öÐýתÁ¬½ÓµÄϵͳ²¿¼þÖ®¼äµÄÊý¾Ý´«Ê䣬ÌṩÁË×î¼ÑµÄ¼¼Êõ½â¾ö·½°¸¡£ÌرðÊʺÏÓ¦ÓÃÔÚÐèÒªÎÞÏÞÖÆµÄ£¬Á¬Ðø»ò¶ÏÐøÐýת£¬Í¬Ê±ÓÖÐèÒª´Ó¹Ì¶¨Î»Öõ½ÐýתλÖô«ËÍ´óÈÝÁ¿Êý¾Ý¡¢Ðźŵij¡Ëù£¬ÄܸÄÉÆ»úеÐÔÄÜ£¬¼ò»¯ÏµÍ³²Ù×÷£¬±ÜÃâÒò»î¶¯¹Ø½ÚµÄÐýת¶Ô³ö¹âÏ˵ÄË𺦡£¿ÉÒÔÓ봫ͳµÄµç×Ó»ãÁ÷»·ÅäºÏʹÓã¬×÷³É¹âµç»ìºÏ»ãÁ÷»·£¬´«Ë͹¦Âʺ͸ßËÙÊý¾Ý¡£

µäÐÍÓ¦Óãº

¹âÏË/¹âµç»¬»·ÊÇĿǰ¹¤Òµ»¬»·ÀïÃæ¼¼ÊõÄѶÈ×î¸ßµÄµÄÒ»¸öϵÁвúÆ·£¬Ö÷ÒªÓ¦ÓÃÓÚ360¶ÈÁ¬ÐøÐýתÇÒÐèÒª±£Ö¤µçÔ´£¬¹âÏËÐźŲ»ÄÜÖжϵij¡ºÏ£ºÈç¸ß¶Ë»úÆ÷ÈË¡¢¸ß¶ËÎïÁÏÊäËÍϵͳ¡¢¾üÓóµÁ¾ÉϵÄת¶¯ÅÚËþ¡¢Ô¶³Ì¿ØÖÆÏµÍ³¡¢À×´ïÌìÏß¡¢¹âÏË´«¸ÐµÈת̨£¨ËÙÂĘ̂£©µÄ¸ßËÙÊÓÆµ¡¢Êý×Ö¡¢Ä£ÄâÐźŵĴ«ÊäºÍ¿ØÖÆ¡¢Ò½ÁÆÏµÍ³¡¢ÊÓÆµ¼àÊÓϵͳ¡¢±£ÕϹú¼Ò»ò¹ú¼Ê°²È«ÏµÍ³º£µ××÷ҵϵͳ¡¢½ô¼±ÕÕÃ÷É豸¡¢»úÆ÷ÈË¡¢Õ¹ÀÀ/ÏÔʾÉ豸¡¢Ò½ÁÆÉ豸µÈ£»

ÐͺŶ©¹ºËµÃ÷£º

¼¼Êõ¹æ¸ñ²ÎÊý
Ö¸±êÃû³ÆÀàÐÍ
µ¥Ä££¨SM£©¶àÄ££¨MM£©
´ø¿í(nm)¡À50
×î´ó²åÈëËðºÄ£¬23¡æ(dB)43.5
²åÈëËðºÄ²¨¶¯(dB)21
»Ø²¨ËðºÄ(dB)¡Ý50(APC)¡Ý40(PC)
×î´óÊäÈ빦ÂÊ(W)0.5
ÖØÁ¿(g)200
×î¸ßתËÙ(rpm)250
Ô¤¹ÀÊÙÃü>2ÒÚת
¹¤×÷ζÈ(¡æ)-45~85
Öü´æÎ¶È(¡æ)-50~85

»úе¼¼ÊõÖ¸±êµçÆø¼¼ÊõÖ¸±ê
²ÎÊýÊýÖµ²ÎÊýÊýÖµ
¹¤×÷ÊÙÃü2000Íòת¹¦ÂÊÐźÅ
¶î¶¨×ªËÙ250RPM¶î¶¨µçѹ0~440VAC/VDC0~440VAC/VDC
¹¤×÷ζÈ-30¡æ~80¡æ¾øÔµµç×è¡Ý1000M¦¸/500VDC¡Ý1000M¦¸/500VDC
¹¤×÷ʪ¶È0~85% RHµ¼Ïß¹æ¸ñAWG16#¶ÆÎýÌú·úÁúAWG22#¶ÆÎýÌú·úÁú
½Ó´¥²ÄÁϽð-½ðµ¼Ïß³¤¶È±ê×¼³¤¶È300mm£¨¿É¾ÝÒªÇóµ÷Õû£©
¿ÇÌå²ÄÁÏÂÁºÏ½ð¾øÔµÇ¿¶È500VAC@50Hz£¬60s
ת¶¯Å¤¾Ø0.1N.m£»+0.03N.m/6·¶¯Ì¬µç×è±ä»¯Öµ<0.01¦¸
·À»¤µÈ¼¶IP51


MFO808 - 8·¹â+µç»¬»·Ñ¡Ðͱí
ÐͺŹâÏËͨµÀ10AÐźŻò5A³¤¶È L£¨mm)ÐͺŹâÏËͨµÀ10AÐźŻò5A³¤¶È L£¨mm)
MFO808-S0280243.6MFO808-P0610-S248624150
MFO808-P021082043.6MFO808-P1210-S1881218150
MFO808-S0380347.4MFO808-P1810-S1281812150
MFO808-P031083047.4MFO808-P2410-S068246150
MFO808-S0680658.8MFO808-P30108300150
MFO808-P0210-S0482458.8MFO808-S368036176.8
MFO808-P0410-S0284258.8MFO808-P0610-S308630176.8
MFO808-P061086058.8MFO808-P1210-S2481224176.8
MFO808-S12801281.6MFO808-P36108360176.8
MFO808-P0210-S10821081.6MFO808-S428042199.6
MFO808-P0310-S0983981.6MFO808-P0610-S368636199.6
MFO808-P0610-S0686681.6MFO808-P1210-S3081230199.6
MFO808-P0810-S0488481.6MFO808-S488048222.4
MFO808-P1010-S02810281.6MFO808-P0610-S428642222.4
MFO808-P1210812081.6MFO808-P0910-S398939222.4
MFO808-S188018104.4MFO808-P1210-S3681236222.4
MFO808-P0210-S168216104.4MFO808-P1810-S3081830222.4
MFO808-P0410-S148414104.4MFO808-P2410-S2482424222.4
MFO808-P0610-S128612104.4MFO808-S608060273
MFO808-P0810-S108810104.4MFO808-P0610-S548654273
MFO808-P1010-S088108104.4MFO808-P0910-S518951273
MFO808-P1210-S068126104.4MFO808-P1210-S4881248273
MFO808-P1410-S048144104.4MFO808-S728072273
MFO808-P1610-S028162104.4MFO808-P0610-S668666319
MFO808-P18108180104.4MFO808-P1210-S6081260319
MFO808-S248024127.2MFO808-P2410-S4882448319
MFO808-P0410-S208420127.2MFO808-P3610-S3683636319
MFO808-P0610-S188618127.2MFO808-S848084373
MFO808-P1210-S1281212127.2MFO808-P1210-S7281272373
MFO808-P1810-S068186127.2MFO808-P2410-S6082460373
MFO808-P24108240127.2MFO808-P3610-S4883648373
MFO808-S308030150MFO808-S968096419

×¢£ºN¸ö10A µçÁ÷»·²¢ÆðÀ´¿É×÷Ϊ1·N*10AµçÁ÷»·Ê¹Óã»±ÈÈç: 2»·10A ²¢ÆðÀ´×ö×÷Ϊ 1·20A ʹÓá£
8½ø8³ö¹âµç×éºÏ»¬»·|¹âµçÐýת½ÓÍ·¿É¸ù¾Ý¿Í»§ÒªÇó¶¨ÖÆ, ÈçÓÐÐèÒª£¬ÇëÁªÏµ¿Í·þЭÖúÑ¡ÐÍ ¡£

±ê׼ͼֽ

ͬϵÁиü¶à²úÆ·²Î¿¼£º
»ñÈ¡²úÆ·3Dͼֽ
X

¾­¹ý¶àÄêµÄ¾­Ñé»ýÀÛ£¬Ä¬æÚÁúÓµÓÐ20Íò¶à¸ö²úÆ·3DͼµµÊý¾Ý¿â£¬
ÓÉÓÚ»¥ÁªÍøµÄ¿ª·ÅÐÔºÍͬÐоºÕù£¬ÐèÒª²úÆ·3DͼµµµÄ¿Í»§ÇëÁôϵç×ÓÓÊÏä»òÕßQQ¡£

ÉóºËÍêÁªÏµ·½Ê½ºó£¬ÎÒÃǵÄϵͳ½«ÔÚ5·ÖÖÓÄÚ°Ñ3D×Ô¶¯·¢¶¯µ½ÄúµÄµç×ÓÓÊÏ䣡