¹¤Òµ»úÆ÷¼Ó¹¤ÖÐÐÄ¡¢Ðýת¹¤×÷̨¡¢ÖØÐÍÉ豸Ëþ̨¡¢µçÀ¾íÅÌ¡¢°ü×°É豸¡¢´ÅÐÔÀëºÏÆ÷¡¢¹¤ÒÕ¿ØÖÆÉ豸¡¢Ðýת´«¸ÐÆ÷¡¢½ô¼±ÕÕÃ÷É豸¡¢»úÆ÷ÈË¡¢Õ¹ÀÀ/ÏÔʾÉ豸¡¢Ò½ÁÆÉ豸¡¢ÐýתÃŵȣ»

| ¼¼Êõ¹æ¸ñ²ÎÊý | ||||
| USB²¿·Ö¼¼ÊõÖ¸±ê | »úе¼¼ÊõÖ¸±ê | |||
| ²ÎÊý | ÊýÖµ | ²ÎÊý | ÊýÖµ | |
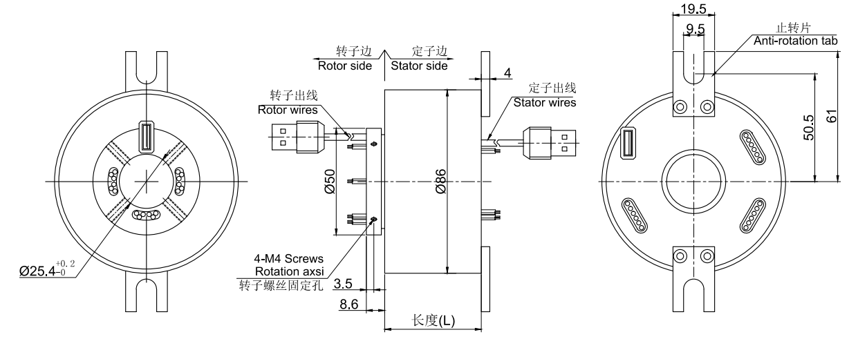
| USB | USB1.0,USB2.0 | ¹¤×÷ÊÙÃü | 2000Íòת | |
| ½ÓÍ· | USB TYPE-A ĸͷ | ¶î¶¨×ªËÙ | 600RPM | |
| ÎóÂëÂÊBER | 10E-11 | ¹¤×÷ÎÂ¶È | -30¡æ~80¡æ | |
| µçÆø¼¼ÊõÖ¸±ê | ¹¤×÷ʪ¶È | 0~85% RH | ||
| ²ÎÊý | ÊýÖµ | ½Ó´¥²ÄÁÏ | ½ð-½ð | |
| ¹¦ÂÊ | ÐźŠ| ¿ÇÌå²ÄÁÏ | ÂÁºÏ½ð | |
| ¶î¶¨µçѹ | 0~440VAC/VDC | 0~440VAC/VDC | ת¶¯Å¤¾Ø | 0.1N.m£»+0.03N.m/6· |
| ¾øÔµµç×è | ¡Ý1000M¦¸/500VDC | ¡Ý1000M¦¸/500VDC | ·À»¤µÈ¼¶ | IP51 |
| µ¼Ïß¹æ¸ñ | AWG16#¶ÆÎýÌú·úÁú | AWG22#¶ÆÎýÌú·úÁú | ||
| µ¼Ïß³¤¶È | ±ê×¼³¤¶È300mm£¨¿É¾ÝÒªÇóµ÷Õû£© | |||
| ¾øÔµÇ¿¶È | 500VAC@50Hz£¬60s | |||
| ¶¯Ì¬µç×è±ä»¯Öµ | <0.01¦¸ | |||








¾¹ý¶àÄêµÄ¾Ñé»ýÀÛ£¬Ä¬æÚÁúÓµÓÐ20Íò¶à¸ö²úÆ·3DͼµµÊý¾Ý¿â£¬
ÓÉÓÚ»¥ÁªÍøµÄ¿ª·ÅÐÔºÍͬÐоºÕù£¬ÐèÒª²úÆ·3DͼµµµÄ¿Í»§ÇëÁôϵç×ÓÓÊÏä»òÕßQQ¡£
ÉóºËÍêÁªÏµ·½Ê½ºó£¬ÎÒÃǵÄϵͳ½«ÔÚ5·ÖÖÓÄÚ°Ñ3D×Ô¶¯·¢¶¯µ½ÄúµÄµç×ÓÓÊÏ䣡