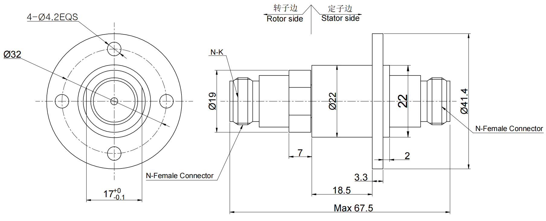
¸ßƵ/ͬÖá/²¨µ¼Ðýת½ÓÍ·ÒÔǰÖ÷ÒªÓÃÓÚ¾ü¹¤ÁìÓò£¬Ëæ×žüÃñÈÚºÏÕþ²ßµÄÖð²½Â䵨£¬ ÃñÓòúÆ·Ò²Ô½À´Ô½¶àÓõ½¸ßƵ»¬»·µÈϵÁвúÆ·£¬Ö÷ÒªÓ¦ÓÃÓÚ360¶ÈÁ¬ÐøÐýתÇÒÐèÒª±£Ö¤µçÔ´£¬¸ßƵ²¨µ¼ÐźŲ»ÄÜÖжϵij¡ºÏ£ºÈç¸÷ÖÖ¾üÓÃÀ״´¬ÔØÎÀÐÇͨÐÅ×°Ö㬳µÔØÎÀÐÇͨÐÅÉ豸£¬ÎÀÐdzµ£¬Ó¦¼±¾ÈÔÖÖ¸»Ó³µ£¬¸ß¶Ë»úÆ÷ÈË¡¢³µÁ¾ÉϵÄת¶¯ÅÚËþ¡¢Ô¶³Ì¿ØÖÆÏµÍ³¡¢À×´ïÌìÏß¡¢Ò½ÁÆÏµÍ³¡¢ÊÓÆµ¼àÊÓϵͳ¡¢±£ÕϹú¼Ò»ò¹ú¼Ê°²È«ÏµÍ³º£µ××÷ҵϵͳ¡¢½ô¼±ÕÕÃ÷É豸¡¢»úÆ÷ÈË¡¢Õ¹ÀÀ/ÏÔʾÉ豸µÈ£»

| ¼¼Êõ¹æ¸ñ²ÎÊý | |
| »úе¼¼ÊõÖ¸±ê | |
| ²ÎÊý | ÊýÖµ |
| ¹¤×÷ÊÙÃü | 500Íòת |
| ¶î¶¨×ªËÙ | 100RPM |
| ¹¤×÷ÎÂ¶È | -30¡æ~80¡æ |
| ¹¤×÷ʪ¶È | 0~85% RH |
| ½Ó´¥²ÄÁÏ | ½ð-½ð |
| ¿ÇÌå²ÄÁÏ | ²»Ðâ¸Ö |
| ת¶¯Å¤¾Ø | 0.1N.m£»+0.03N.m/6· |
| ·À»¤µÈ¼¶ | IP51 |








¾¹ý¶àÄêµÄ¾Ñé»ýÀÛ£¬Ä¬æÚÁúÓµÓÐ20Íò¶à¸ö²úÆ·3DͼµµÊý¾Ý¿â£¬
ÓÉÓÚ»¥ÁªÍøµÄ¿ª·ÅÐÔºÍͬÐоºÕù£¬ÐèÒª²úÆ·3DͼµµµÄ¿Í»§ÇëÁôϵç×ÓÓÊÏä»òÕßQQ¡£
ÉóºËÍêÁªÏµ·½Ê½ºó£¬ÎÒÃǵÄϵͳ½«ÔÚ5·ÖÖÓÄÚ°Ñ3D×Ô¶¯·¢¶¯µ½ÄúµÄµç×ÓÓÊÏ䣡