¸ßƵ/ͬÖá/²¨µ¼Ðýת½ÓÍ·ÒÔǰÖ÷ÒªÓÃÓÚ¾ü¹¤ÁìÓò£¬Ëæ×žüÃñÈÚºÏÕþ²ßµÄÖð²½Â䵨£¬ ÃñÓòúÆ·Ò²Ô½À´Ô½¶àÓõ½¸ßƵ»¬»·µÈϵÁвúÆ·£¬Ö÷ÒªÓ¦ÓÃÓÚ360¶ÈÁ¬ÐøÐýתÇÒÐèÒª±£Ö¤µçÔ´£¬¸ßƵ²¨µ¼ÐźŲ»ÄÜÖжϵij¡ºÏ£ºÈç¸÷ÖÖ¾üÓÃÀ״´¬ÔØÎÀÐÇͨÐÅ×°Ö㬳µÔØÎÀÐÇͨÐÅÉ豸£¬ÎÀÐdzµ£¬Ó¦¼±¾ÈÔÖÖ¸»Ó³µ£¬¸ß¶Ë»úÆ÷ÈË¡¢³µÁ¾ÉϵÄת¶¯ÅÚËþ¡¢Ô¶³Ì¿ØÖÆÏµÍ³¡¢À×´ïÌìÏß¡¢Ò½ÁÆÏµÍ³¡¢ÊÓÆµ¼àÊÓϵͳ¡¢±£ÕϹú¼Ò»ò¹ú¼Ê°²È«ÏµÍ³º£µ××÷ҵϵͳ¡¢½ô¼±ÕÕÃ÷É豸¡¢»úÆ÷ÈË¡¢Õ¹ÀÀ/ÏÔʾÉ豸µÈ£»

| ¼¼Êõ¹æ¸ñ²ÎÊý | ||||
| ¸ßƵ²¿·Ö¼¼ÊõÖ¸±ê | »úе¼¼ÊõÖ¸±ê | |||
| ͨµÀ | ͨµÀ 1 | ͨµÀ 2 | ²ÎÊý | ÊýÖµ |
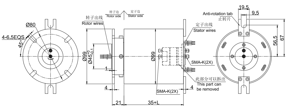
| ½Ó¿ÚÀàÐÍ | SMA-F(50Q) | SMA-F(50Q) | ¹¤×÷ÊÙÃü | 500Íòת |
| ƵÂÊ | DC-4.5GHz | DC-4.5GHz | תËÙ(×î´óÖµ) | 50RPM |
| ·åÖµ¹¦ÂÊ(×î´óÖµ) | 1KW | 1KW | ¹¤×÷ÎÂ¶È | -30¡æ~70¡æ/ -45¡æ~85¡æ |
| ƽ¾ù¹¦ÂÊ(×î´óÖµ) | 50W@1GHz | 50W@1GHz | ¹¤×÷ʪ¶È | 0~85% RH/ 0~97% RH |
| µçѹפ²¨±È(×î´óÖµ) | 1.25 | 1.6 | Öü´æÎÂ¶È | -50¡ãC~85¡ãC |
| µçѹפ²¨²¨¶¯(×î´óÖµ) | 0.1 | 0.2 | ½Ó´¥²ÄÁÏ | ½ð-½ð |
| ²åÈëËðºÄ(×î´óÖµ) | 0.2 | 0.8 | ¿ÇÌå²ÄÁÏ | ÂÁºÏ½ð |
| ²åÈëËðºÄ²¨¶¯(×î´óÖµ) | 0.15 | 0.2 | ת¶¯Å¤¾Ø | 0.1N.m£»+0.03N.m/6· |
| ¸ôÀë¶È(×îСֵ) | 60dB | 60dB | ·À»¤µÈ¼¶ | IP51 |
| µçÆø¼¼ÊõÖ¸±ê | ||||
| ²ÎÊý | ÊýÖµ | |||
| ¹¦ÂÊ | ÐźŠ| |||
| ¶î¶¨µçѹ | 0~440VAC/VDC | 0~240VAC/VDC | ||
| ¾øÔµµç×è | ¡Ý1000M¦¸/500VDC | ¡Ý1000M¦¸/500VDC | ||
| µ¼Ïß¹æ¸ñ | AWG16#¶ÆÎýÌú·úÁú | AWG22#¶ÆÎýÌú·úÁú | ||
| µ¼Ïß³¤¶È | ±ê×¼³¤¶È300mm£¨¿É¾ÝÒªÇóµ÷Õû£© | |||
| ¾øÔµÇ¿¶È | 500VAC@50Hz£¬60s | |||
| ¶¯Ì¬µç×è±ä»¯Öµ | <0.01¦¸ | |||








¾¹ý¶àÄêµÄ¾Ñé»ýÀÛ£¬Ä¬æÚÁúÓµÓÐ20Íò¶à¸ö²úÆ·3DͼµµÊý¾Ý¿â£¬
ÓÉÓÚ»¥ÁªÍøµÄ¿ª·ÅÐÔºÍͬÐоºÕù£¬ÐèÒª²úÆ·3DͼµµµÄ¿Í»§ÇëÁôϵç×ÓÓÊÏä»òÕßQQ¡£
ÉóºËÍêÁªÏµ·½Ê½ºó£¬ÎÒÃǵÄϵͳ½«ÔÚ5·ÖÖÓÄÚ°Ñ3D×Ô¶¯·¢¶¯µ½ÄúµÄµç×ÓÓÊÏ䣡